ГОСТ 32330-2013 Масла смазочные. Определение потерь от испарения методом Ноак

Категории ГОСТ 32330-2013 по ОКС:
Статус документа:
действует, введён в действие 01.01.2015
Название на английском языке:
Lubricating oils. Determination of evaporating loss by Noack method
Дата актуализации информации по стандарту:
17.09.2019, в 11:21 (более года назад)
Вид стандарта:
Стандарты на методы контроля
Дата начала действия ГОСТа:
2015-01-01
Дата последнего издания документа:
2014-09-01
Число страниц:
36
Назначение ГОСТ 32330-2013:
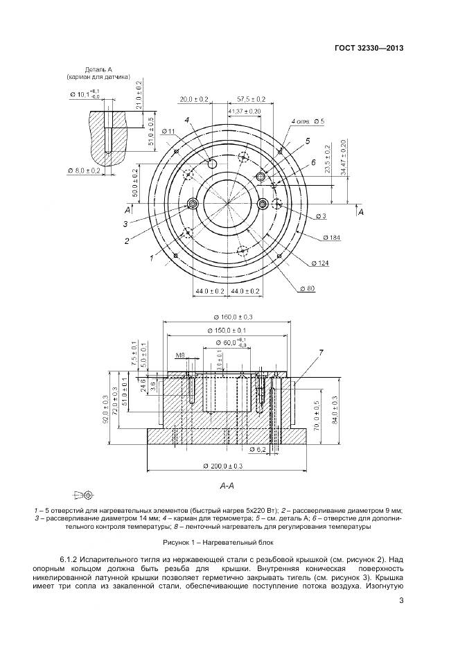
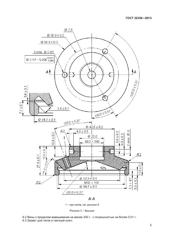
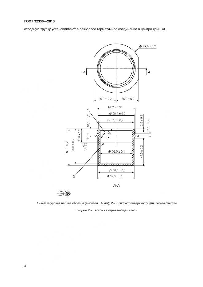
Настоящий стандарт устанавливает методы определения потерь от испарения смазочных масел (в т. ч. моторных): метод A - с использованием аппарата Ноак; метод B - с использованием автоматического аппарата Ноак без сплава Вуда; метод C - с использованием аппарата Селби-Ноак. Настоящий стандарт устанавливает требования к проведению испытаний, при необходимости их можно адаптировать к другим условиям
Документ разработан орг-ей:
Федеральное агентство по техническому регулированию и метрологии (Росстандарт)
Документ принят орг-ей:
Межгосударственный Совет по стандартизации метрологии и сертификации, протокол №60-П
Ключевые слова документа:
B, автоматический аппарат Ноак без сплава Вуда, аппарат Ноак, аппарат Селби-Ноак, испаряемость по методу Ноак, методы A, потери образца от испарения, смазочные масла
Нормативные ссылки, связанные с ГОСТ 32330-2013:
Ссылки на прочие:
ASTM D 4057;ASTM D 4177;ASTM D 6299;ASTM D 6300;DIN 1725;DIN 12785

Скачать ГОСТ 32330-2013 вы можете в следующих версиях:

Дата добавления:
Тип файла:
Загрузок:
Размер:
23/01/2016 17:57
PDF с изображениями
0
1.53 Мб

Текст стандарта

  • ГОСТ 32330-2013, страница 1 страница 1
  • ГОСТ 32330-2013, страница 2 страница 2
  • ГОСТ 32330-2013, страница 3 страница 3
  • ГОСТ 32330-2013, страница 4 страница 4
  • ГОСТ 32330-2013, страница 5 страница 5
  • ГОСТ 32330-2013, страница 6 страница 6
  • ГОСТ 32330-2013, страница 7 страница 7
  • ГОСТ 32330-2013, страница 8 страница 8
  • ГОСТ 32330-2013, страница 9 страница 9
  • ГОСТ 32330-2013, страница 10 страница 10
  • ГОСТ 32330-2013, страница 11 страница 11
  • ГОСТ 32330-2013, страница 12 страница 12
  • ГОСТ 32330-2013, страница 13 страница 13
  • ГОСТ 32330-2013, страница 14 страница 14
  • ГОСТ 32330-2013, страница 15 страница 15
  • ГОСТ 32330-2013, страница 16 страница 16
  • ГОСТ 32330-2013, страница 17 страница 17
  • ГОСТ 32330-2013, страница 18 страница 18
  • ГОСТ 32330-2013, страница 19 страница 19
  • ГОСТ 32330-2013, страница 20 страница 20
  • ГОСТ 32330-2013, страница 21 страница 21
  • ГОСТ 32330-2013, страница 22 страница 22
  • ГОСТ 32330-2013, страница 23 страница 23
  • ГОСТ 32330-2013, страница 24 страница 24
  • ГОСТ 32330-2013, страница 25 страница 25
  • ГОСТ 32330-2013, страница 26 страница 26
  • ГОСТ 32330-2013, страница 27 страница 27
  • ГОСТ 32330-2013, страница 28 страница 28
  • ГОСТ 32330-2013, страница 29 страница 29
  • ГОСТ 32330-2013, страница 30 страница 30
  • ГОСТ 32330-2013, страница 31 страница 31
  • ГОСТ 32330-2013, страница 32 страница 32
  • ГОСТ 32330-2013, страница 33 страница 33
  • ГОСТ 32330-2013, страница 34 страница 34
  • ГОСТ 32330-2013, страница 35 страница 35
  • ГОСТ 32330-2013, страница 36 страница 36