ГОСТ 33466-2015 Глобальная навигационная спутниковая система. Система экстренного реагирования при авариях. Методы испытаний устройства/системы вызова экстренных оперативных служб на соответствие требованиям по электромагнитной совместимости, стойкости к климатическим и механическим воздействиям

Категории ГОСТ 33466-2015 по ОКС:
Статус документа:
действует, введён в действие 01.01.2017
Название на английском языке:
Global navigation satellite system. Road accident emergency response system. Compliance test methods for electromagnetic compatibility, environmental and mechanical resistance requirements of In-Vehicle Emergency Call Device/System
Дата актуализации информации по стандарту:
28.10.2025, в 14:59 (менее 3 месяцев назад)
Вид стандарта:
Основополагающие стандарты
Дата начала действия ГОСТа:
2017-01-01
Дата последнего издания документа:
2017-01-12
Число страниц:
36
Назначение ГОСТ 33466-2015:
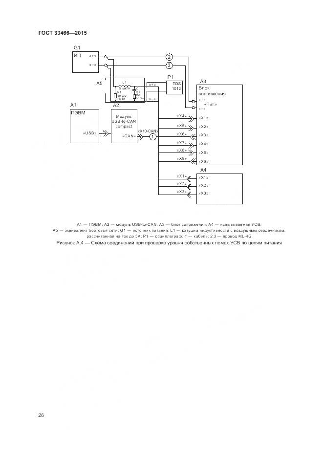
Настоящий стандарт распространяется на устройства и системы вызова экстренных оперативных служб как штатные, так и исполненные в конфигурации дополнительного оборудования, предназначенные для установки на колесные транспортные средства категорий M и N в соответствии с требованиями [1]. Настоящий стандарт устанавливает методы испытаний устройств/ систем вызова экстренных оперативных служб на соответствие требованиям по электромагнитной совместимости, стойкости к климатическим и механическим воздействиям, установленным в ГОСТ 33464 для целей выполнения требований технического регламента [1]
Документ разработан орг-ей:
Федеральное агентство по техническому регулированию и метрологии (Росстандарт)
Документ принят орг-ей:
Межгосударственный Совет по стандартизации метрологии и сертификации, протокол №82-П
Ключевые слова документа:
испытания, климатические воздействия, методы испытаний, механические воздействия, условия проведения испытаний, устройство/система вызова экстренных оперативных служб, электромагнитная совместимость

Скачать ГОСТ 33466-2015 вы можете в следующих версиях:

Тип файла:
Дата добавления:
Загрузок:
Размер:
Тип файла:
PDF с изображениями
Добавлен:
20/11/2025 15:10
Скачиваний:
25
Размер файла:
3.1 Мб
  • ГОСТ 33466-2015, страница 1 страница 1
  • ГОСТ 33466-2015, страница 2 страница 2
  • ГОСТ 33466-2015, страница 3 страница 3
  • ГОСТ 33466-2015, страница 4 страница 4
  • ГОСТ 33466-2015, страница 5 страница 5
  • ГОСТ 33466-2015, страница 6 страница 6
  • ГОСТ 33466-2015, страница 7 страница 7
  • ГОСТ 33466-2015, страница 8 страница 8
  • ГОСТ 33466-2015, страница 9 страница 9
  • ГОСТ 33466-2015, страница 10 страница 10
  • ГОСТ 33466-2015, страница 11 страница 11
  • ГОСТ 33466-2015, страница 12 страница 12
  • ГОСТ 33466-2015, страница 13 страница 13
  • ГОСТ 33466-2015, страница 14 страница 14
  • ГОСТ 33466-2015, страница 15 страница 15
  • ГОСТ 33466-2015, страница 16 страница 16
  • ГОСТ 33466-2015, страница 17 страница 17
  • ГОСТ 33466-2015, страница 18 страница 18
  • ГОСТ 33466-2015, страница 19 страница 19
  • ГОСТ 33466-2015, страница 20 страница 20
  • ГОСТ 33466-2015, страница 21 страница 21
  • ГОСТ 33466-2015, страница 22 страница 22
  • ГОСТ 33466-2015, страница 23 страница 23
  • ГОСТ 33466-2015, страница 24 страница 24
  • ГОСТ 33466-2015, страница 25 страница 25
  • ГОСТ 33466-2015, страница 26 страница 26
  • ГОСТ 33466-2015, страница 27 страница 27
  • ГОСТ 33466-2015, страница 28 страница 28
  • ГОСТ 33466-2015, страница 29 страница 29
  • ГОСТ 33466-2015, страница 30 страница 30
  • ГОСТ 33466-2015, страница 31 страница 31
  • ГОСТ 33466-2015, страница 32 страница 32
  • ГОСТ 33466-2015, страница 33 страница 33
  • ГОСТ 33466-2015, страница 34 страница 34
  • ГОСТ 33466-2015, страница 35 страница 35
  • ГОСТ 33466-2015, страница 36 страница 36