ГОСТ Р 57962-2017 Микросферы стеклянные полые. Метод определения плотности

Категории ГОСТ Р 57962-2017 по ОКС:
Статус документа:
действует, введён в действие 01.05.2018
Название на английском языке:
Hollow glass microspheres. Method for determination of density
Дата актуализации информации по стандарту:
30.10.2025, в 19:35 (несколько дней назад)
Вид стандарта:
временно не известен
Дата начала действия ГОСТа:
2018-05-01
Число страниц:
8
Назначение ГОСТ Р 57962-2017:
не указано
Нормативные ссылки, связанные с ГОСТ Р 57962-2017:

Скачать ГОСТ Р 57962-2017 вы можете в следующих версиях:

В данный момент версий документа для скачивания не добавлено.

Мы стараемся пополнять базу документов еженедельно и из разных источников, в обозримом будущем версии для этого ГОСТа появятся.

Вы можете просмотреть online текст стандарта ГОСТ Р 57962-2017

Просмотреть текст ГОСТ Р 57962-2017

Текст стандарта

  • ГОСТ Р 57962-2017, страница 1 страница 1
  • ГОСТ Р 57962-2017, страница 2 страница 2
  • ГОСТ Р 57962-2017, страница 3 страница 3
  • ГОСТ Р 57962-2017, страница 4 страница 4
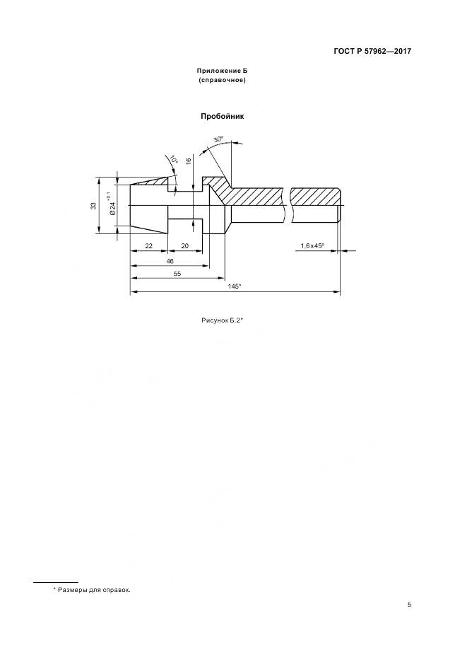
  • ГОСТ Р 57962-2017, страница 5 страница 5
  • ГОСТ Р 57962-2017, страница 6 страница 6
  • ГОСТ Р 57962-2017, страница 7 страница 7
  • ГОСТ Р 57962-2017, страница 8 страница 8