ГОСТ IEC 60127-4-2011 Миниатюрные плавкие предохранители. Часть 4. Универсальные модульные плавкие вставки для объемного и поверхностного монтажа

Категории ГОСТ IEC 60127-4-2011 по ОКС:
Статус документа:
действует, введён в действие 01.01.2013
Название на английском языке:
Miniature fuses. Part 4. Universal modular fuse-links for through-hole and surface mount types
Дата актуализации информации по стандарту:
21.10.2025, в 10:11 (менее месяца назад)
Вид стандарта:
Основополагающие стандарты
Дата начала действия ГОСТа:
2013-01-01
Дата последнего издания документа:
2014-07-21
Коды документа ГОСТ IEC 60127-4-2011:
Код КГС:
Э29
Число страниц:
24
Назначение ГОСТ IEC 60127-4-2011:
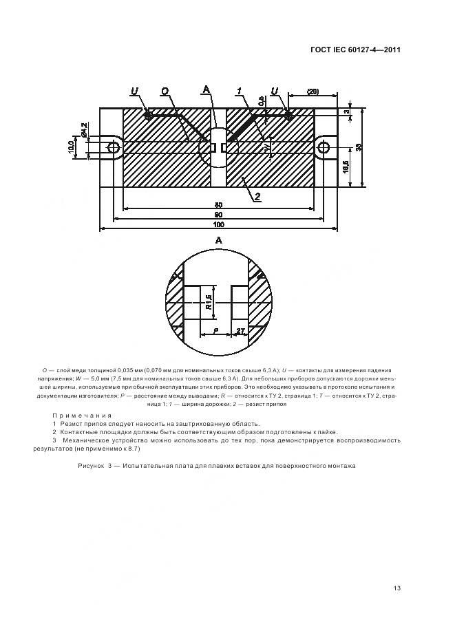
Настоящий стандарт распространяется на универсальные модульные плавкие вставки для печатных плат и других подложек, используемые для защиты электрических бытовых приборов, электронной аппаратуры и их блоков, обычно предназначенных для применения внутри помещений. Стандарт не распространяется на плавкие вставки, предназначенные для работы в специальных условиях, например в коррозионной или взрывоопасной среде. Плавкие предохранители должны монтироваться или заменяться только специально обученным персоналом с помощью специальных приспособлений. Международный стандарт на плавкие вставки, используемые с держателями плавких предохранителей, разрабатывается. Настоящий стандарт является дополнением к IEC 60127-1 и содержит те же требования с дополнительным требованием к степени невзаимозаменяемости
Документ разработан орг-ей:
Федеральное агентство по техническому регулированию и метрологии
Документ принят орг-ей:
Межгосударственный Совет по стандартизации метрологии и сертификации, протокол №40-2011
Ключевые слова документа:
миниатюрные плавкие предохранители, терминология, требования, универсальные модульные плавкие вставки
Нормативные ссылки, связанные с ГОСТ IEC 60127-4-2011:

Скачать ГОСТ IEC 60127-4-2011 вы можете в следующих версиях:

Дата добавления:
Тип файла:
Загрузок:
Размер:
-
23/01/2016 18:10
PDF с изображениями
0
-

Текст стандарта

  • ГОСТ IEC 60127-4-2011, страница 1 страница 1
  • ГОСТ IEC 60127-4-2011, страница 2 страница 2
  • ГОСТ IEC 60127-4-2011, страница 3 страница 3
  • ГОСТ IEC 60127-4-2011, страница 4 страница 4
  • ГОСТ IEC 60127-4-2011, страница 5 страница 5
  • ГОСТ IEC 60127-4-2011, страница 6 страница 6
  • ГОСТ IEC 60127-4-2011, страница 7 страница 7
  • ГОСТ IEC 60127-4-2011, страница 8 страница 8
  • ГОСТ IEC 60127-4-2011, страница 9 страница 9
  • ГОСТ IEC 60127-4-2011, страница 10 страница 10
  • ГОСТ IEC 60127-4-2011, страница 11 страница 11
  • ГОСТ IEC 60127-4-2011, страница 12 страница 12
  • ГОСТ IEC 60127-4-2011, страница 13 страница 13
  • ГОСТ IEC 60127-4-2011, страница 14 страница 14
  • ГОСТ IEC 60127-4-2011, страница 15 страница 15
  • ГОСТ IEC 60127-4-2011, страница 16 страница 16
  • ГОСТ IEC 60127-4-2011, страница 17 страница 17
  • ГОСТ IEC 60127-4-2011, страница 18 страница 18
  • ГОСТ IEC 60127-4-2011, страница 19 страница 19
  • ГОСТ IEC 60127-4-2011, страница 20 страница 20
  • ГОСТ IEC 60127-4-2011, страница 21 страница 21
  • ГОСТ IEC 60127-4-2011, страница 22 страница 22
  • ГОСТ IEC 60127-4-2011, страница 23 страница 23
  • ГОСТ IEC 60127-4-2011, страница 24 страница 24