ГОСТ IEC 60320-2-3-2017 Соединители электрические бытового и аналогичного назначения. Часть 2-3. Дополнительные требования к соединителям степени защиты свыше SPXO и методы испытаний

Категории ГОСТ IEC 60320-2-3-2017 по ОКС:
Статус документа:
действует, введён в действие 01.06.2019
Название на английском языке:
Appliance couplers for household and similar general purposes. Part 2-3. Additional requirements to appliance couplers with a degree of protection higher than IPX0
Дата актуализации информации по стандарту:
19.06.2025, в 20:48 (менее полугода назад)
Вид стандарта:
Стандарты на продукцию (услуги)
Дата начала действия ГОСТа:
2019-06-01
Дата последнего издания документа:
2018-12-17
Число страниц:
35
Назначение ГОСТ IEC 60320-2-3-2017:
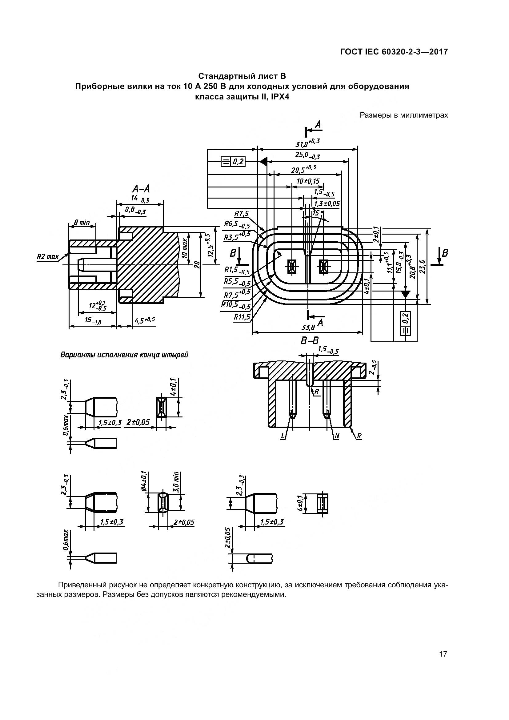
Настоящий раздел изложить в следующей редакции: Данный стандарт распространяется на двухполюсные односторонние соединители для электроприборов, предназначенные для применения в условиях низких температур только на переменном токе при номинальном напряжении не св. 250 В и номинальном токе не св. 10 А с частотой питания 50 Гц или 60 Гц со степенью защиты от проникновения воды св. IPX0
Документ разработан орг-ей:
Федеральное агентство по техническому регулированию и метрологии (Росстандарт)
Документ принят орг-ей:
Межгосударственный Совет по стандартизации метрологии и сертификации, протокол №52-2017
Ключевые слова документа:
методы, соединителям степени защиты свыше IPX0
Нормативные ссылки, связанные с ГОСТ IEC 60320-2-3-2017:

Скачать ГОСТ IEC 60320-2-3-2017 вы можете в следующих версиях:

В данный момент версий документа для скачивания не добавлено.

Мы стараемся пополнять базу документов еженедельно и из разных источников, в обозримом будущем версии для этого ГОСТа появятся.

Вы можете просмотреть online текст стандарта ГОСТ IEC 60320-2-3-2017

Просмотреть текст ГОСТ IEC 60320-2-3-2017

Текст стандарта

  • ГОСТ IEC 60320-2-3-2017, страница 1 страница 1
  • ГОСТ IEC 60320-2-3-2017, страница 2 страница 2
  • ГОСТ IEC 60320-2-3-2017, страница 3 страница 3
  • ГОСТ IEC 60320-2-3-2017, страница 4 страница 4
  • ГОСТ IEC 60320-2-3-2017, страница 5 страница 5
  • ГОСТ IEC 60320-2-3-2017, страница 6 страница 6
  • ГОСТ IEC 60320-2-3-2017, страница 7 страница 7
  • ГОСТ IEC 60320-2-3-2017, страница 8 страница 8
  • ГОСТ IEC 60320-2-3-2017, страница 9 страница 9
  • ГОСТ IEC 60320-2-3-2017, страница 10 страница 10
  • ГОСТ IEC 60320-2-3-2017, страница 11 страница 11
  • ГОСТ IEC 60320-2-3-2017, страница 12 страница 12
  • ГОСТ IEC 60320-2-3-2017, страница 13 страница 13
  • ГОСТ IEC 60320-2-3-2017, страница 14 страница 14
  • ГОСТ IEC 60320-2-3-2017, страница 15 страница 15
  • ГОСТ IEC 60320-2-3-2017, страница 16 страница 16
  • ГОСТ IEC 60320-2-3-2017, страница 17 страница 17
  • ГОСТ IEC 60320-2-3-2017, страница 18 страница 18
  • ГОСТ IEC 60320-2-3-2017, страница 19 страница 19
  • ГОСТ IEC 60320-2-3-2017, страница 20 страница 20
  • ГОСТ IEC 60320-2-3-2017, страница 21 страница 21
  • ГОСТ IEC 60320-2-3-2017, страница 22 страница 22
  • ГОСТ IEC 60320-2-3-2017, страница 23 страница 23
  • ГОСТ IEC 60320-2-3-2017, страница 24 страница 24
  • ГОСТ IEC 60320-2-3-2017, страница 25 страница 25
  • ГОСТ IEC 60320-2-3-2017, страница 26 страница 26
  • ГОСТ IEC 60320-2-3-2017, страница 27 страница 27
  • ГОСТ IEC 60320-2-3-2017, страница 28 страница 28
  • ГОСТ IEC 60320-2-3-2017, страница 29 страница 29
  • ГОСТ IEC 60320-2-3-2017, страница 30 страница 30
  • ГОСТ IEC 60320-2-3-2017, страница 31 страница 31
  • ГОСТ IEC 60320-2-3-2017, страница 32 страница 32
  • ГОСТ IEC 60320-2-3-2017, страница 33 страница 33
  • ГОСТ IEC 60320-2-3-2017, страница 34 страница 34
  • ГОСТ IEC 60320-2-3-2017, страница 35 страница 35