ГОСТ Р ИСО 9897-2012 Контейнеры грузовые. Данные изменений контейнерного оборудования (CEDEX). Главные коды связей

Категории ГОСТ Р ИСО 9897-2012 по ОКС:
Статус документа:
действует, введён в действие 01.07.2013
Название на английском языке:
Freight containers. Container equipment data exchange (CEDEX). General communication codes
Дата актуализации информации по стандарту:
30.11.-0001, в 00:00 (более года назад)
Вид стандарта:
временно не известен
Дата начала действия ГОСТа:
2013-07-01
Коды документа ГОСТ Р ИСО 9897-2012:
Код ОКП:
317700
Код КГС:
Д88
Число страниц:
не известно
Назначение ГОСТ Р ИСО 9897-2012:
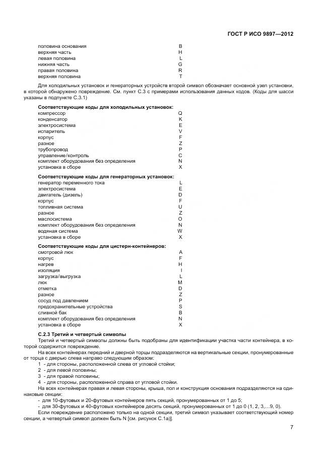
Настоящий стандарт устанавливает главные коды связи для обмена данными по оборудованию контейнера (CEDEX). Устанавливаемые стандартом главные годы предназначаются для коммерческих структур, с целью использования в сообщениях, касающихся экономических операций с грузовыми контейнерами
Ключевые слова документа:
закрытый контейнер, изотермический контейнер, коды деталей и узлов контейнеров, коды и элементы данных, коды повреждений, компоненты контейнера, контейнер общего назначения, контейнер-платформа, контейнеры грузовые, присвоение кода, типы повреждений
Нормативные ссылки, связанные с ГОСТ Р ИСО 9897-2012:

Скачать ГОСТ Р ИСО 9897-2012 вы можете в следующих версиях:

Дата добавления:
Тип файла:
Загрузок:
Размер:
24/01/2016 00:11
PDF с изображениями
0
3.59 Мб

Текст стандарта

  • ГОСТ Р ИСО 9897-2012, страница 1 страница 1
  • ГОСТ Р ИСО 9897-2012, страница 2 страница 2
  • ГОСТ Р ИСО 9897-2012, страница 3 страница 3
  • ГОСТ Р ИСО 9897-2012, страница 4 страница 4
  • ГОСТ Р ИСО 9897-2012, страница 5 страница 5
  • ГОСТ Р ИСО 9897-2012, страница 6 страница 6
  • ГОСТ Р ИСО 9897-2012, страница 7 страница 7
  • ГОСТ Р ИСО 9897-2012, страница 8 страница 8
  • ГОСТ Р ИСО 9897-2012, страница 9 страница 9
  • ГОСТ Р ИСО 9897-2012, страница 10 страница 10
  • ГОСТ Р ИСО 9897-2012, страница 11 страница 11
  • ГОСТ Р ИСО 9897-2012, страница 12 страница 12
  • ГОСТ Р ИСО 9897-2012, страница 13 страница 13
  • ГОСТ Р ИСО 9897-2012, страница 14 страница 14
  • ГОСТ Р ИСО 9897-2012, страница 15 страница 15
  • ГОСТ Р ИСО 9897-2012, страница 16 страница 16
  • ГОСТ Р ИСО 9897-2012, страница 17 страница 17
  • ГОСТ Р ИСО 9897-2012, страница 18 страница 18
  • ГОСТ Р ИСО 9897-2012, страница 19 страница 19
  • ГОСТ Р ИСО 9897-2012, страница 20 страница 20
  • ГОСТ Р ИСО 9897-2012, страница 21 страница 21
  • ГОСТ Р ИСО 9897-2012, страница 22 страница 22
  • ГОСТ Р ИСО 9897-2012, страница 23 страница 23
  • ГОСТ Р ИСО 9897-2012, страница 24 страница 24
  • ГОСТ Р ИСО 9897-2012, страница 25 страница 25
  • ГОСТ Р ИСО 9897-2012, страница 26 страница 26
  • ГОСТ Р ИСО 9897-2012, страница 27 страница 27
  • ГОСТ Р ИСО 9897-2012, страница 28 страница 28
  • ГОСТ Р ИСО 9897-2012, страница 29 страница 29
  • ГОСТ Р ИСО 9897-2012, страница 30 страница 30
  • ГОСТ Р ИСО 9897-2012, страница 31 страница 31
  • ГОСТ Р ИСО 9897-2012, страница 32 страница 32
  • ГОСТ Р ИСО 9897-2012, страница 33 страница 33
  • ГОСТ Р ИСО 9897-2012, страница 34 страница 34
  • ГОСТ Р ИСО 9897-2012, страница 35 страница 35
  • ГОСТ Р ИСО 9897-2012, страница 36 страница 36
  • ГОСТ Р ИСО 9897-2012, страница 37 страница 37
  • ГОСТ Р ИСО 9897-2012, страница 38 страница 38
  • ГОСТ Р ИСО 9897-2012, страница 39 страница 39
  • ГОСТ Р ИСО 9897-2012, страница 40 страница 40
  • ГОСТ Р ИСО 9897-2012, страница 41 страница 41
  • ГОСТ Р ИСО 9897-2012, страница 42 страница 42
  • ГОСТ Р ИСО 9897-2012, страница 43 страница 43
  • ГОСТ Р ИСО 9897-2012, страница 44 страница 44
  • ГОСТ Р ИСО 9897-2012, страница 45 страница 45
  • ГОСТ Р ИСО 9897-2012, страница 46 страница 46
  • ГОСТ Р ИСО 9897-2012, страница 47 страница 47
  • ГОСТ Р ИСО 9897-2012, страница 48 страница 48
  • ГОСТ Р ИСО 9897-2012, страница 49 страница 49
  • ГОСТ Р ИСО 9897-2012, страница 50 страница 50
  • ГОСТ Р ИСО 9897-2012, страница 51 страница 51
  • ГОСТ Р ИСО 9897-2012, страница 52 страница 52
  • ГОСТ Р ИСО 9897-2012, страница 53 страница 53
  • ГОСТ Р ИСО 9897-2012, страница 54 страница 54
  • ГОСТ Р ИСО 9897-2012, страница 55 страница 55
  • ГОСТ Р ИСО 9897-2012, страница 56 страница 56
  • ГОСТ Р ИСО 9897-2012, страница 57 страница 57
  • ГОСТ Р ИСО 9897-2012, страница 58 страница 58
  • ГОСТ Р ИСО 9897-2012, страница 59 страница 59
  • ГОСТ Р ИСО 9897-2012, страница 60 страница 60
  • ГОСТ Р ИСО 9897-2012, страница 61 страница 61
  • ГОСТ Р ИСО 9897-2012, страница 62 страница 62
  • ГОСТ Р ИСО 9897-2012, страница 63 страница 63
  • ГОСТ Р ИСО 9897-2012, страница 64 страница 64
  • ГОСТ Р ИСО 9897-2012, страница 65 страница 65
  • ГОСТ Р ИСО 9897-2012, страница 66 страница 66
  • ГОСТ Р ИСО 9897-2012, страница 67 страница 67
  • ГОСТ Р ИСО 9897-2012, страница 68 страница 68
  • ГОСТ Р ИСО 9897-2012, страница 69 страница 69
  • ГОСТ Р ИСО 9897-2012, страница 70 страница 70
  • ГОСТ Р ИСО 9897-2012, страница 71 страница 71
  • ГОСТ Р ИСО 9897-2012, страница 72 страница 72
  • ГОСТ Р ИСО 9897-2012, страница 73 страница 73
  • ГОСТ Р ИСО 9897-2012, страница 74 страница 74
  • ГОСТ Р ИСО 9897-2012, страница 75 страница 75
  • ГОСТ Р ИСО 9897-2012, страница 76 страница 76
  • ГОСТ Р ИСО 9897-2012, страница 77 страница 77
  • ГОСТ Р ИСО 9897-2012, страница 78 страница 78
  • ГОСТ Р ИСО 9897-2012, страница 79 страница 79
  • ГОСТ Р ИСО 9897-2012, страница 80 страница 80
  • ГОСТ Р ИСО 9897-2012, страница 81 страница 81
  • ГОСТ Р ИСО 9897-2012, страница 82 страница 82
  • ГОСТ Р ИСО 9897-2012, страница 83 страница 83
  • ГОСТ Р ИСО 9897-2012, страница 84 страница 84
  • ГОСТ Р ИСО 9897-2012, страница 85 страница 85
  • ГОСТ Р ИСО 9897-2012, страница 86 страница 86
  • ГОСТ Р ИСО 9897-2012, страница 87 страница 87
  • ГОСТ Р ИСО 9897-2012, страница 88 страница 88
  • ГОСТ Р ИСО 9897-2012, страница 89 страница 89
  • ГОСТ Р ИСО 9897-2012, страница 90 страница 90
  • ГОСТ Р ИСО 9897-2012, страница 91 страница 91
  • ГОСТ Р ИСО 9897-2012, страница 92 страница 92
  • ГОСТ Р ИСО 9897-2012, страница 93 страница 93
  • ГОСТ Р ИСО 9897-2012, страница 94 страница 94