ГОСТ 18591-2025 Профили алюминиевые специальные. Общие технические условия

Категории ГОСТ 18591-2025 по ОКС:
Статус документа:
действует, введён в действие 01.10.2025
Название на английском языке:
Special aluminium profiles. General specifications
Дата актуализации информации по стандарту:
17.10.2025, в 14:39 (менее месяца назад)
Вид стандарта:
временно не известен
Дата начала действия ГОСТа:
2025-10-01
Число страниц:
12
Назначение ГОСТ 18591-2025:
не указано
Нормативные ссылки, связанные с ГОСТ 18591-2025:

Скачать ГОСТ 18591-2025 вы можете в следующих версиях:

В данный момент версий документа для скачивания не добавлено.

Мы стараемся пополнять базу документов еженедельно и из разных источников, в обозримом будущем версии для этого ГОСТа появятся.

Вы можете просмотреть online текст стандарта ГОСТ 18591-2025

Просмотреть текст ГОСТ 18591-2025

Текст стандарта

  • ГОСТ 18591-2025, страница 1 страница 1
  • ГОСТ 18591-2025, страница 2 страница 2
  • ГОСТ 18591-2025, страница 3 страница 3
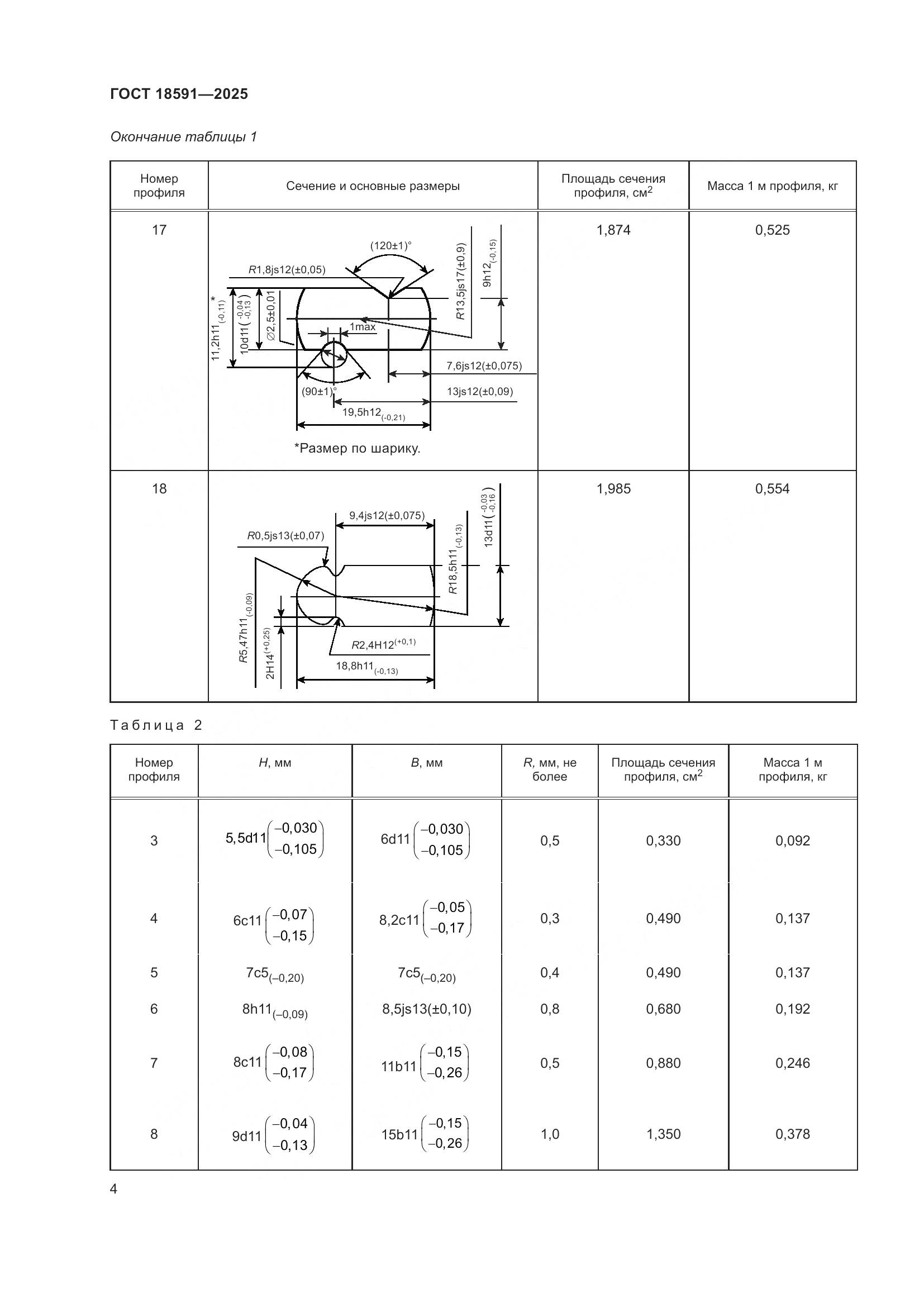
  • ГОСТ 18591-2025, страница 4 страница 4
  • ГОСТ 18591-2025, страница 5 страница 5
  • ГОСТ 18591-2025, страница 6 страница 6
  • ГОСТ 18591-2025, страница 7 страница 7
  • ГОСТ 18591-2025, страница 8 страница 8
  • ГОСТ 18591-2025, страница 9 страница 9
  • ГОСТ 18591-2025, страница 10 страница 10
  • ГОСТ 18591-2025, страница 11 страница 11
  • ГОСТ 18591-2025, страница 12 страница 12